Главная Каталог продукции Прайс-лист Полезная информация контакты
Редукторы цилиндрические
Редукторы червячные
Мотор-редукторы
Преобразователи частоты
Устройства плавного пуска
Аксессуары для ПЧ
Энкодеры
Карта сайта

 

Приводная техника

 

Вся продукция сертифицирована. Мы будем рады видеть Вас клиентом нашей компании.

 

 

Мотор-редукторы червячные одноступенчатые 2мч-40, 2мч-63, 2мч-80

Мотор-редукторы 2МЧ-40, 2МЧ-63, 2МЧ-80

 

Мотор редукторы 2МЧ-40, 2МЧ-63, 2МЧ-80

 

 

Мотор-редукторы червячные одноступенчатые 2МЧ-40, 2МЧ-63, 2МЧ-80 предназначены для работы в качестве приводов общемашиностроительного применения по ДСТУ 2279-93 (ГОСТ 25484-93). Мотор-редукторы червячные одноступенчатые универсальные типа 2МЧ выпускаются взамен устаревших редукторов типа РЧУ, снимаемых с производства. По сравнению с редукторами типа РЧУ редукторы типа 2МЧ обладают повышенной нагрузочной способностью. Ряд редукторов обеспечивает крутящие моменты на тихоходном валу 27-230 Н.м в диапазоне передаточных чисел 8-80. В неразъемном корпусе, отлитом из алюминиевого сплава методом литья под давлением, установлены узел червячного вала и узел червячного колеса. Крышки служат корпусами подшипников тихоходного вала. Корпус закрыт съемной крышкой, отлитой из алюминиевого сплава.

 

1. Мотор-редукторы 2МЧ-40

2. Мотор-редукторы 2МЧ-63

3. Мотор-редукторы 2МЧ-80

 

УСЛОВИЯ ПРИМЕНЕНИЯ РЕДУКТОРОВ:

  • нагрузка постоянная и переменная в пределах номинального крутящего момента;
  • вращение валов в любую сторону без предпочтительности;
  • климатические исполнения У3 и Т2 по ГОСТ 15150-69 при работе на высоте над уровнем моря до 1000 м, допускается работа мотор-редуктора на высоте более 1000 м над уровнем моря при соблюдении требований ГОСТ 183-74;
  • внешняя среда - неагрессивная, невзрывоопасная, с содержанием непроводящей пыли до 10 мг/м3.

Мотор-редукторы предназначены для работы от сети переменного тока частотой 50 Гц или 60 Гц, напряжением 220 В или 380 В, или, по согласованию с потребителем, на другие стандартные напряжения.

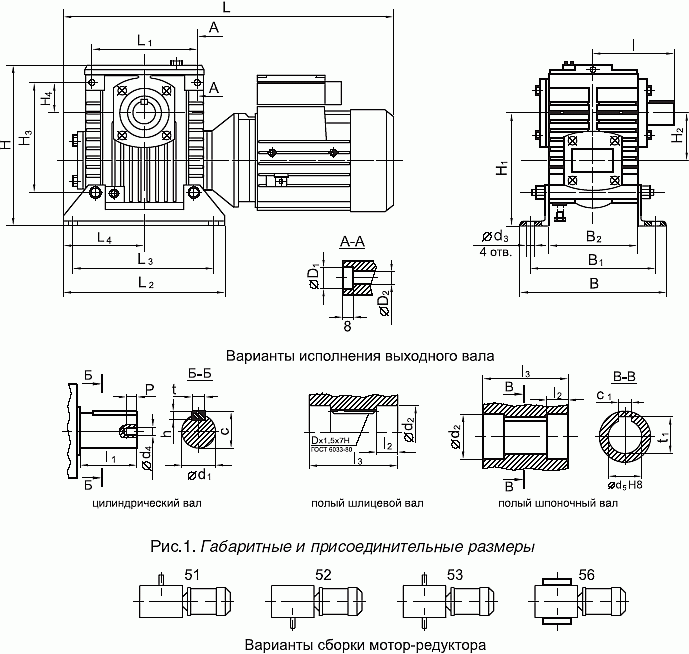
Габаритные и присоединительные размеры 2МЧ-40, 2МЧ-63, 2МЧ-80

 

РИС 1.
Габаритные и присоединительные размеры.

 

Типоразмер мотор-редуктора Lmax L1 L2 L3 L4 Bmax B1 B2 Hmax H1 H2 H3 P I
2МЧ-40
370
105
180
150
90
164
140
100
180
112
40
105
15
90
2МЧ-63
470
150
220
180
110
197
165
125
225
145
63
150
20
120
2МЧ-80
540
180
260
225
130
212
185
140
296
172
80
180
20
145

 

Типоразмер мотор-редуктора l1 l2 l3 l4 d1 d2 d3 t t1 c c1 D1 D2
2МЧ-40
28
20
112
28
18
23
25
20,5
20,8
6
6
16
10,5
2МЧ-63
42
20
108
20
28
33
35
31
29,3
8
8
18
12,5
2МЧ-80
58
25
116
24
35
41
44
37,5
38,3
10
10
18
12,5

Таблица №1.
Габаритные и присоединительные размеры.

 

Конструктивное расположение по способу монтажа

РИС 4.
Конструктивное расположение по способу монтажа.

 

ТЕХНИЧЕСКИЕ ХАРАКТЕРИСТИКИ

 

Номинальная частота вращения выходного вала об/мин Допускаемая радиальная консольная нагрузка, приложенная к середине посадочной части конца выходного вала, Н Номинальный крутящий момент на выходном валу Н х м , при ПВ , % КПД, % в непрерыв-ном режиме с ПВ, 100%, не менее Типо-размер двигателя серии АИР Мощность двигателя,
  кВт
Корректи-рованный уровень звуковой мощности, дБА, не более Масса
мотор-
редуктора
кг,
  не более
40 100
Мотор-редуктор 2МЧ-40          
224
1500
20
68
63В2
0,55
80
12,4
180
24
67
63В2
0,55
140
22
58
63В4
0,37
112
28
26
57
63В4
0,37
90
32
30
55
63В4
0,37
71
35
30
52
63В4
0,37
56
30
28
50
63А4
0,25
45
40
36
48
63А4
0,25
35,5
36
31
43
63А4
0,25
31
41
56В4
0,18
10,5
28
32
38
56В4
0,18
22,4
28
26
37
56А4
0,12
Мотор-редуктор 2МЧ-63
180
2400
100
80
66
80В2
2,2
83
26
140
100
71
64
80В2
2,2
80
62
80А2
1,5
80
25
112
100
60
80В2
2,2
83
26
90
59
80А2
1,5
80
25
90
125
100
66
80В4
1,5
26
71
125
90
64
80В4
1,5
112
62
80А4
1,1
25
56
125
59
80А4
1,1
100
53
71В4
0,75
22
45
125
54
80А4
1,1
25
112
49
71В4
0,75
22
35,5
125
46
71В4
0,75
100
44
71А4
0,55
21
28
125
43
71В4
0,75
22
112
41
71А4
0,55
21
22,4
125
37
71А4
0,55
18
140
100
40
71В6
0,55
22
100
38
71А6
0,37
21
14
125
90
36
71В6
0,55
22
100
34
71А6
0,37
21
11,4
112
80
30
71А6
0,37
Мотор-редуктор 2МЧ-80
224
400
180
125
75
100L2
5,5
87
49
125
74
100S2
4
83
43
180
180
71
90L2
3
38,5
125
69
140
180
66
112
180
64
125
63
80B2
2,2
33
90
250
180
67
100S4
3
43
180
66
90L4
2,2
38,5
71
250
64
100S4
3
43
180
63
90L4
2,2
38,5
56
250
61
90L4
2,2
38,5
180
59
80B4
1,5
80
33
45
250
200
57
90L4
2,2
83
38,5
200
55
80B4
1,5
80
33
35,5
250
180
50
80B4
1,5
33
180
48
80A4
1,1
31,5
28
250
48
80B4
1,5
33
180
46
80A4
1,1
31,5
22,4
224
160
41
80A4
1,1
33
160
40
71B4
0,75
28,5
18
224
38
80A4
1,1
31,5
160
37
71B4
28,5
14
260
180
38
80A6
31,5
11,4
260
36
80A6
31,5
180
35
71B6
0,55
28,5

 

ПРИМЕР УСЛОВНОГО ОБОЗНАЧЕНИЯ ПРИ ЗАКАЗЕ

Мотор-редуктор 2мч-40-56-51-1110-У3, 380, ТУ У3.26-00224828-343-98, где:

  • 40 - межосевое расстояние, мм;
  • 56 - номинальная частота вращения выходного вала, об/мин;
  • 51 - вариант сборки по ГОСТ 20373-80;
  • 1110 - конструктивное исполнение по способу монтажа по ГОСТ 30164-94;
  • У3 - климатическое исполнение и категория по ГОСТ 15150-69;
  • 380 - напряжение сети, В.

Приводная техника (мотор-редукторы, преобразователи частоты и устройства плавного пуска) отправляется покупателю транспортной компанией. По всем вопросам обращаться в офис.


Мы всегда рады видеть у себя наших старых партнеров и ждем новых.

Доставка во все регионы России!